静电放电抗扰度(ESD)标准
范围:
ESD测试标准:IEC/EN 61000-4-2, GB/T 17626.2
本部分规定电气和电子设备遭受直接来自操作者和对领近物体的静电放电时抗扰度的要求和试验方法,还规定了不同环境和安装条件下试验等级的范围和试验程序。
本部分的目的在于建立通用的和可重现的基准,以评估电气和电子设备遭受静电时的性能。此外,它还包括从人体到靠近关键设备的物体之间可能发生的静电放电。
本部分的规定包括:
---放电电流的典型波形
---试验等级的范围
---试验设备
---试验配置
---试验程序
---校验程序


1.接触放电(Contact discharge)
测试产生器的电极直接接触待测设备,由产生器中的放电开关启动放电的测试方法。
2.空气放电(Air discharge)
测试产生器充电后的电极逐渐靠近待测设备,使得与待测设备间产生火花放电的测
试方法。
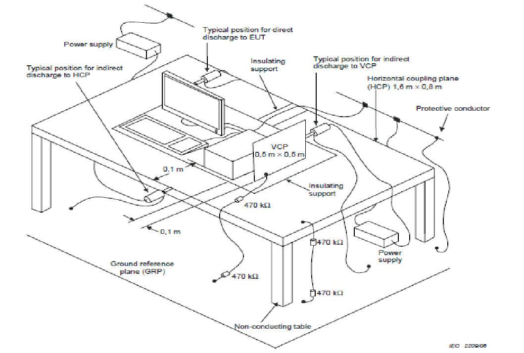
3.耦合板(Coupling plane)
一块金属片或金属板,对其放电用来模拟对受试设备附近物体的静电放电。
HCP为水平耦合板;VCP为垂直耦合板。
4.接地参考平(Ground reference plane)
一块导电平面,其电位用作公共参考电位
5.保持时间(Holding time)
放电之前,由于泄露而试验电压下降不大于10%的时间间隔
6.直接放电(Direct application)
直接对受试设备进行放电测试
7.间接放电(Indirect application)
对受试设备附近的耦合板进行放电,以模拟人体以及周围物体对受试设备的影响
8.抗扰度(immunity)
装置、设备或系统在电磁骚扰下,不降低运行性能的能力
台式设备架设示意图

落地式设备架设示意图

